
除二氧化碳器制作和構成
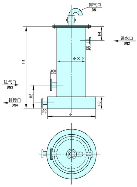
脫氣塔由進水裝置,填料,風機,水箱組成,進水裝置一般采用母支管布水,材質根據不同的需要可以選用304繞絲管和316繞絲管,填料選用多面空心球,根據水質不同可以選用陶瓷和塑料兩種,他主要是起到加大水的表面積,使二氧化碳較好的被吹脫、風機主要是提供風源,從而對水的二氧化碳進行吹脫、儲水箱使處理后的水儲存,可以通過增壓泵打到后續的設備中,除碳器工作時,水從上部進入,經配水裝置淋下,通過填料層后,從下部排入水箱,而風機的提供的風向是逆向的,即從下向上進行吹脫,通過填料層后,由頂部排出。其原理所以當鼓入除碳器的空氣流和除碳水相接觸時,水中CO2便會被空氣流帶出。